Boden Hydraulics Co. Ltd. Engaged in designing, manufacturing, and selling hydraulic components
  • 
  • Home
  • Products +
    • Customization
    • Applications +
      • Material Handling Equipment
      • Construction Machinery
      • Agricultural Machinery
      • Wind Turbine
      • Aerial Work Platform
      • Electric Vehicle
    • About Us +
      • Company Profile
      • History
      • Factory Tour
    • Services
    • Videos
    • Contact
    • Catalog Download

    Multiple Gear Pumps

    • Home
    • Products
    • Multiple Gear Pumps
    • Tandem Gear Pump, Group 2.6 + Group 2

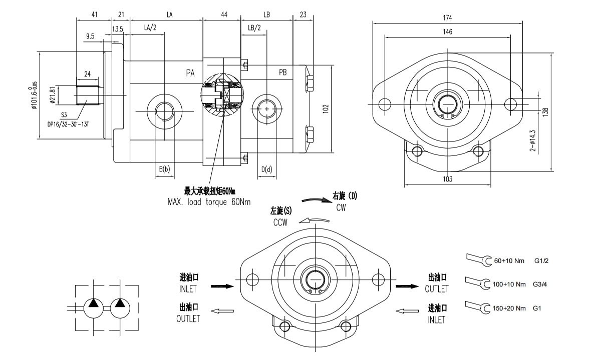
    Tandem Gear Pump, Group 2.6 + Group 2 (3~44cm³/rev.)

    Hydraulic pumps
    Tandem Gear Pump, Group 2.6 + Group 2
    Technical Information
    • Displacement: 3~44cm³/rev.
    • Rotation direction: clockwise (D), counter-clockwise(S)
    • Min. speed: 500r/min
    • Max. speed: 2300r/min
    • Peak pressure: 170~285bar
    Request a Quote
    • Ordering Code Rules
    • Standard Dimensions
    2.6/2 Tandem Gear Pump Ordering Code Rules
    PDF download
    2.6/2 Tandem Gear Pump Ordering Code Rules
    2.6/2 Tandem Gear Pump Standard Product Dimensions
    Tandem Gear Pump, Group 2.6 + Group 2
    Tandem Gear Pump, Group 2.6 + Group 2
    Inquiry
    Displacement Max. pressure Max. speed Min. speed Dimensions Oil port code Inlet Outlet Oil port code Inlet Outlet
    PA PB PA PB LA LB PA D d PB D d
    (cm³/rev.) (cm³/rev.) bar bar (r/min) (r/min) mm mm
    6 3 250 285 2300 500 56.6 49.1 L0 G3/4 G1/2 L0 G1/2 G1/2
    8 4 250 285 58.6 50.7 L0 G3/4 G1/2 L0 G1/2 G1/2
    10 6 250 285 60.6 54 L0 G3/4 G1/2 L0 G1/2 G1/2
    12 8 250 285 63.1 57.3 L0 G3/4 G1/2 L1 G3/4 G1/2
    14 10 250 285 64.6 60.6 L0 G3/4 G1/2 L1 G3/4 G1/2
    16 12 250 285 67.1 63.9 L0 G3/4 G1/2 L1 G3/4 G1/2
    19 14 250 265 70.6 67.3 L0 G3/4 G1/2 L1 G3/4 G1/2
    22 16 250 265 74.1 70.7 L0 G3/4 G1/2 L1 G3/4 G1/2
    25 18 250 265 76.6 74 L1 G1 G3/4 L1 G3/4 G1/2
    28 20 250 235 79.6 77.3 L1 G1 G3/4 L1 G3/4 G1/2
    30 22 230 235 82.1 80.6 L1 G1 G3/4 L1 G3/4 G1/2
    32 25 230 215 84.6 85.6 L1 G1 G3/4 L1 G3/4 G1/2
    36 28 200 190 88.6 90.6 L1 G1 G3/4 L1 G3/4 G1/2
    38 30 200 170 90.6 93.9 L1 G1 G3/4 L1 G3/4 G1/2
    40 170 92.6 L1 G1 G3/4
    44 170 97.1 L1 G1 G3/4
    • External Gear Pumps
        Group 0.5 (0.19 to 2cm³/rev.) Group 1 (0.8 to 8cm³/rev.) Group 1.2 (0.8 to 12cm³/rev.) Group 1.25 (1.4 to 13.8cm³/rev.) Group 1.3 (1.88 to 9.68cm³/rev.) Group 1.5 (2 to 12cm³/rev.) Group 2 (3 to 30cm³/rev.) Group 2.1D (7 to 20cm³/rev.) Group 2.5D (23 to 40cm³/rev.) Group 2.5 (10 to 45cm³/rev.) Group 2.6 (6 to 44cm³/rev.) Group 3 (20 to 71cm³/rev.) Group 3.5 (21.1 to 105.4cm³/rev.) Group 4 (33.1 to 98.8cm³/rev.)
    • Multiple Gear Pumps
        Group 1 + Group 1
        (0.8 to 13.8cm³/rev.)
        Group 1.25 + Group 1.25
        (1.4 to 13.8cm³/rev.)
        Group 2 + Group 1
        (0.8 to 30cm³/rev.)
        Group 2 + Group 2
        (0.8 to 30cm³/rev.)
        Group 2.5 + Group 2.5
        (10 to 45cm³/rev.)
        Group 2.6 + Group 2
        (3 to 44cm³/rev.)
        Group 2.6 + Group 2.6
        (6 to 44cm³/rev.)
        Group 3 + Group 1
        (0.8 to 71cm³/rev.)
        Group 3 + Group 2
        (3 to 71cm³/rev.)
        Group 3 + Group 3
        (3 to 71cm³/rev.)
        Group 3A + Group 2.6A
        (10 to 63cm³/rev.)
    • Flow Dividers
        Group 1.25 (1.4 to 230cm³/rev.) Group 2 (3 to 250cm³/rev.)
    • High-Low Pumps
        Group 1G/1G (0.8 to 8cm³/rev.) Group 1.3G/1.3G (1 to 13cm³/rev.) Group 2G/2G (3 to 30cm³/rev.)
    Related Products
    Tandem Gear Pump, Group 2.6 + Group 2.6 Tandem Gear Pump, Group 2.6 + Group 2.6
    Tandem Gear Pump, Group 3 + Group 1 Tandem Gear Pump, Group 3 + Group 1
    Tandem Gear Pump, Group 3 + Group 2 Tandem Gear Pump, Group 3 + Group 2
    Tandem Gear Pump, Group 3 + Group 3 Tandem Gear Pump, Group 3 + Group 3
    Tandem Gear Pump, Group 3A + Group 2.6A Tandem Gear Pump, Group 3A + Group 2.6A
    Tandem Gear Pump, Group 1 + Group 1 Tandem Gear Pump, Group 1 + Group 1
    Tandem Gear Pump, Group 1.25 + Group 1.25 Tandem Gear Pump, Group 1.25 + Group 1.25
    Tandem Gear Pump, Group 2 + Group 1 Tandem Gear Pump, Group 2 + Group 1
    Tandem Gear Pump, Group 2 + Group 2 Tandem Gear Pump, Group 2 + Group 2
    Tandem Gear Pump, Group 2.5 + Group 2.5 Tandem Gear Pump, Group 2.5 + Group 2.5
    Tandem Gear Pump, Group 2.6 + Group 2 Tandem Gear Pump, Group 2.6 + Group 2
    Get in touch

    We will be in touch with you as soon as possible.

    • +86-513-83601666
    • +86-18951331823
    • sales@boden-hyd.com
    Other Products
    • External Gear Pumps
      External Gear Pumps More
    • Flow Dividers
      Flow Dividers More
    • gh-Low Pumps
      High-Low Pumps More
    Products
    • External Gear Pumps
    • Multiple Gear Pumps
    • Flow Dividers
    • High-Low Pumps
    Applications
    • Material Handling Equipment
    • Construction Machinery
    • Agricultural Machinery
    • Wind Turbine
    • Aerial Work Platform
    • Electric Vehicle
    About Us
    • Company Profile
    • History
    • Factory Tour
    Contact

    Slyvia Shen
    sales@boden-hyd.com
    +86-513-83601666
    +86-18951331823
    +86-18951331823